2026

SOMMAIRE : 

- sujet du DL

- corrigés

- programme officiel

- programme de colle 13

 - compléments sur les moteurs  : champ triphasé + moteur synchrone + MMC sans balais

- exercices


WebMaster : O.GRAS

Enseignant Sc. Physiques CPGE spé PSI

Création du site :1er juin 2020

Mise à jour : 30 janvier 2026

Objectifs


À rédiger pour vous (pas de rendu)

Devoir pour la rentrée + un sujet optionnel PSI*

Interro à la rentrée, sur le programme de révision (hacheurs)

Rentrée : Bilan des voeux d’inscription aux Concours (voir plus bas)

Rentrée : Rédaction MCOT et avancement du TIPE afin de pouvoir repositionner chaque sujet (voir plus bas)





DL 10

Corrigé DL 10

DL 9 modélisation

 — Meilleurs voeux 2026 —

Semaine calendaire 1 du 29 décembre au 4 janvier 2026

 

DL 10-bis

Corrigé DL 10-bis

Corrigé DL 9 modélisation

Programme officiel PSI pour la rentrée ainsi que pour la colle 13

Hors colle

Hors colle

Hors colle

Théorème de Ferraris

Chimie, notion de potentiel chimique

Lois de Le Châtelier

Programme de colle

                   Programme 13 de colle de Physique-Chimie :

SAVOIR : 


 —chimie :  identités thermodynamiques (dH, dG), expression de S en fonction de la dérivée de G par T, relation de Gibbs-Helmholtz, dG négatif démontré pour une réaction spontanée, potentiel chimique et enthalpie libre molaire, identité d’Euler, relation de Gibbs-Duhem, volume molaire et entropie molaire en fonction des dérivée du potentiel chimique, démonstration : la quantité d’une espèce diminue si son potentiel chimique est plus élevé + idem pour l’action de la pression ou le sens des échanges thermiques. Equilibre = égalité des potentiels chimiques + activité d’une espèce (gaz, liquide, solide, solvant) + enthalpie libre standard de réaction à l’équilibre.

+ lien entre la constante de réaction de l’enthalpie libre de réaction, relations de Gibbs-Helmholtz + détermination de l’avancement + quotient de réaction Q , prévision du sens d’évolution d’une réaction par le rapport K/Q + lois de Le Châtelier



dipôle électrostatique p : expression du potentiel V et du champ E (8bis)

ARQS : loi de conservation de la charge, les 4 équations de Maxwell, équation de Maxwell Gauss pour calculer un champ E avec l’expression de div(), équation de Maxwell Ampère pour calculer un champ B avec l’expression de rot()

- équations de Maxwell : loi de Lenz-Faraday, champ magnétique imposé dans un isolant par un champ E extérieur  sinusoïdal, rappel des rails de Laplace avec résistance + cas avec une bobine, relations de passage pour E et B données, loi de Lenz et tension aux bornes d’une bobine idéale + notion d’inductance L, cas de l’induction pour une spire tournante dans B fixe, effet Joule microscopique, courants de FOUCAULT (calculs pour un cylindre et puissance dissipée par effet Joule) + cas des plaques à induction de la cuisine.

- vecteur de Poynting, cas de la résistance cylindrique, énergie volumique  électromagnétique avec L et M

- milieu magnétique : cycle d’hysteresis + pertes par hysteresis, champ rémanent, champ coercitif, effet mémoire, définition de H et M + le cas idéal (cours et TP) du  transformateur avec relations en tensions et courants + adaptation d’impédance.

- Circuits magnétiques : théorème d’Ampère, notion de réluctance R, de flux magnétique et loi de Hopkinson (semblable à la loi d’Ohm), associations série et parallèle de réluctances, notion d’entrefer et de champ amplifié dans le matériau et/ou dans l’entrefer, analogie avec les ALI.

- Moteur synchrone : expression du couple exercé sur un dipôle magnétique soumis à un champ B tournant, champ tournant créé par une bobine ou deux bobines alimentées en courant sinusoïdal. Energie dans l’entrefer : parfois donnée et calcul du couple ensuite.

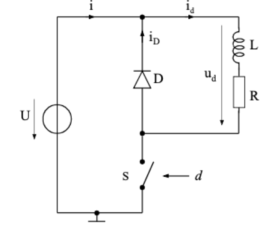
- HACHEUR série (dévolteur) : cours et exemples sur le bloc de deux interrupteurs, lissage par une bobine, cas du courant i sans interruption, modèle à haute fréquence linéarisé, établissement du courant dans R et des pentes à partir des équations différentielles selon l’intervalle de temps (en fonction du taux de hachage \alpha), utilisation des pentes pour établir l’expression de la fluctuation de courant, utilisation de la tension moyenne nulle aux bornes de L pour démontrer l’expression de la tension moyenne aux bornes de R


Puis à la rentrée (donc hors colle) : 

- Hacheur parallèle, pont de 4 diodes, onduleur à 4 interrupteurs.


Questions de cours pour la colle

Les 6 questions de cours : 

1- comparaison du diagramme de prédominance entre le cas des couples acide/base et celui des couples ion métal / complexe

2- modèle de Drude

3- calcul du champ B pour câble coaxial (cas du cylindre creux extérieur avec courant surfacique +  Cylindre plein intérieur avec courant volumique) en tout point M

4- force magnétique F exercée par un matériau en forme de U, bobiné localement avec N spires et attirant un barreau droit horizontal

5- rails de Laplace avec une barre lancée avec une vitesse initiale non nulle

6- transformateur idéal : formules sur i et u + application au transport d’électricité (1 transfo haute tension + un transfo basse tension) 

Physique-Chimie-TIPE- TP-Python

Compléments sur le champ tournant tri-phasé :  calcul en complexes

Compléments sur le moteur synchrone

Compléments sur le moteur à courant continu (MCC)

Compléments sur le hacheur : cas complet non linéarisé

Si l’on ne cherche pas à linéariser directement mais à tenir compte des solutions exponentielles des équations différentielles du courant i circulant dans L et dans R, on obtient une succession d’équations qui deviennent rapidement très calculatrices car il faut à chaque discontinuité de la pente utiliser les conditions aux limites. Vous trouverez ci-dessous les solutions complètes qui vous persuaderont qu’il vaut mieux linéariser dès le début.

CHIMIE de 1ère année :  cristallographie

COURS révision de 1ère année :  cristallographie

Mécanique de 1ère année :  forces en 1/r^2 et satellites (lois de Képler)

2026